PRECILEC雷恩RCM58EN系列絕對值編碼器
文章來源:上海開地電子有限公司 發布時間:2026/01/05 點擊數:
一、雷恩編碼器RCM58EN系列 核心硬實力 定義重工測量新標準
1、高分辨率:單圈最大 16bits(65536),多圈最大 14bits(16384 圈),光學傳感精準捕角,機械齒輪無電池記圈,斷電不掉位,杜絕數據丟失風險。
2、盲孔專屬結構:一體化盲孔設計,安裝適配性更強,同軸度精準,抗沖擊、抗振動,完美解決重工設備軸端安裝難題,運行更穩定。
3、高速穩定通訊:標配 EtherNet/IP 工業以太網,10/100Mbit 自適應傳輸速率,CIP 規范兼容主流 PLC,數據校驗 + 抗干擾設計,實現毫秒級精準數據傳輸,閉環控制零延遲。
二、PRECILEC RCM58EN盲孔編碼器 嚴苛環境適配 硬核防護更耐用
1、高級防護等級:IP65/IP66 雙重防護,防塵防水防油污,可選不銹鋼殼體,無懼冶金粉塵、造紙潮濕、起重戶外等惡劣工況侵蝕。
2、寬溫超強適配:-40℃~+85℃超寬工作溫度,耐高低溫、抗電磁干擾,工業現場極端環境下仍保持高精度、零漂移,適配全天候連續作業。
3、光學機械齒輪原理:雷恩經典光學檢測 + 精密行星齒輪組核心,無接觸磨損、無電池維護,壽命更長久,大幅降低設備運維成本。
三、法國雷恩RCM58EN系列 行業定制化設計 專用于重工核心場景
1、鋼鐵冶金:軋機、連鑄、輸送設備精準位置反饋,耐高溫抗粉塵,穩定適配冶金強工況
2、起重行業:起升機構、小車運行定位,抗振動防沖擊,保障起重作業安全精準
3、造紙行業:卷取、裁切、張力控制,防水防纖維粉塵,適配造紙濕環境連續生產
4、木材加工:切割、輸送、定位設備,耐磨損抗干擾,滿足木材加工高負荷作業需求

四、雷恩編碼器RCM58EN系列 核心技術參數
檢測原理:光學機械齒輪絕對值式
分辨率:單圈 Max 65536 (16bits)|多圈 Max 16384 (14bits)
通訊接口:EtherNet/IP,10/100 Mbit/s
防護等級:IP66/IP67(不銹鋼殼體可選)
工作溫度:-40℃ ~ +85℃
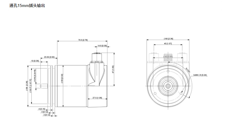
結構類型:盲孔系列,適配重工軸端安裝需求

五、PRECILEC法國雷恩編碼器客戶使用后案例反饋
遼寧某鋼鐵廠李工反饋:“我們軋機車間溫度高、粉塵大,之前換過 3 款編碼器都扛不住,雷恩這款用了 18 個月,定位精度一點沒飄,斷電后重啟直接接著干活,省了太多校準時間!”
江蘇某造紙廠王師傅說:“紙機車間又潮又有纖維粉塵,之前的編碼器經常短路報錯,換了雷恩這款 IP67 的,半年多沒出過故障,機器連續運行率都提高了!”
某港口起重設備廠張工分享:“我們的起重機作業時振動大,還受車間電磁干擾,雷恩這款通訊特別穩,和 PLC 對接沒出過丟包問題,起升定位精準度提升太多,安全系數拉滿!”
法國雷恩PRECILEC RCM58EN盲孔系列絕對值編碼器以高精度、高可靠、高適配,賦能重工業智能化升級,為核心設備提供穩定精準的位置檢測核心支撐!