CONTACT US
400 - 880 - 3995ssi拉線盒編碼器由拉線盒和編碼器組成。編碼器計算與測量長度成比例的測量鼓旋轉圈數,并將其輸出。這可以測量線性測量路徑的位置信息。
POSITAL 拉線盒編碼器具有多種接口,為嚴苛的工業應用提供簡便的系統集成方案。提供多種性能版本,為您的應用提供最佳的設備。
拉線盒編碼器是測量位移、距離的一種直線測量裝置,也可以通過轉換輪進行直角測量,拉線編碼器可以用來測量機械位移的直線運動,也可以對機械裝置進行控制,可以通過位移進行閉環控制。
LD0-S401B-1212-6E90-ARW
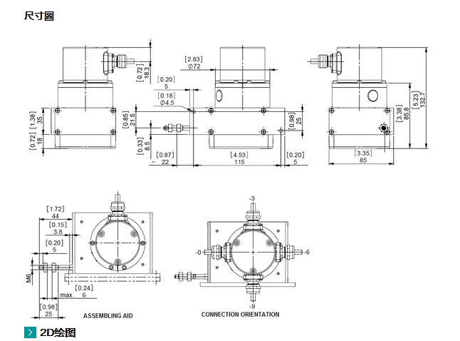
產品參數
電源 4.5 – 30 VDC
工作溫度 -20 °C (-4 °F) - +80 °C (+176 °F)
重量 1385 g (3.05 lb)
外殼防護等級 (編碼器) IP64 / IP65
機械數據
最大測量長度 6.00 m
線轂周長 200 mm
線繩材質 不銹鋼
線繩直徑 0.60 mm
編碼器外殼材料 鋼
拉線盒外殼的材料 鋁 / 塑
線位移的最大速度 3 m/s
線繩最大加速度 2.4 g
最大拉出力 8.0 N
最小回縮力 3.0 N
傳感器數據
技術 光電 (≤ 0.02°)
精度 ±0.006 % FSO
重復性 ±0.003 % FSO
分辨率 單圈 12 位
分辨率 多圈 12 位
近似線性分辨率 48.8 μm
輸出碼制 二進制碼
通訊接口 SSI帶按鈕和LED
接口周期 ≥ 25 μs
輸出驅動器 RS422
時鐘輸入 RS 422, 通過光電耦合器
電氣連接
連接方向 徑向
連接方向 徑向 9
電纜長度 10 m [394"]
導線截面 0.14 mm2 / AWG 26
材料 / 類型 PVC
電纜直徑 6 mm (0.24 in)
最小彎曲半徑 46 mm (1.81") 固定, 61 mm (2.4") 彎曲
