CONTACT US
400 - 880 - 3995

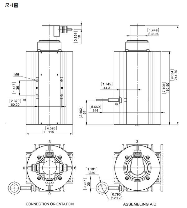
SSI拉繩位移傳感器LU0-S401G-1412-FR30-CRW
一般數據
電源 4.5 – 30 VDC
功耗 ≤ 1.0 W
工作溫度 -20 °C (-4 °F) - +80 °C (+176 °F)
重量 3815 g (8.41 lb)
外殼防護等級 (編碼器) IP64 / IP65
機械數據
最大測量長度 15.00 m
線轂周長 315 mm
線繩材質 聚酰胺涂層的不銹鋼
線繩直徑 1.00 mm
編碼器外殼材料 鋼
拉線盒外殼的材料 鋁
線位移的最大速度 2.0 m / s
線繩最大加速度 3.0 g
最大拉出力 25.0 N
最小回縮力 8.0 N
動作壽命 50萬次循環 (根據理想條件估算)
最大。出線角度。 ±3°
傳感器數據
技術 磁電 (≤ 0.09°)
精度 ±0.01 % FSO
重復性 ±0.001 % FSO
分辨率 單圈 12 位
分辨率 多圈 14 位
近似線性分辨率 76.9 μm
輸出碼制 格雷碼

接口
通訊接口 SSI帶按鈕和LED
接口周期 ≥ 25 μs
輸出
輸出驅動器 RS422
功耗 Desc
時鐘輸入 RS 422, 通過光電耦合器
時鐘速度 100 kHz – 2 MHz
MTTF 350 years @ 40 °C
電氣連接
連接方向 徑向 3
電纜長度 1 m [39"]
導線截面 0.14 mm2 / AWG 26
電纜直徑 6 mm (0.24 in)
最小彎曲半徑 46 mm (1.81") 固定, 61 mm (2.4") 彎曲
