CONTACT US
400 - 880 - 3995

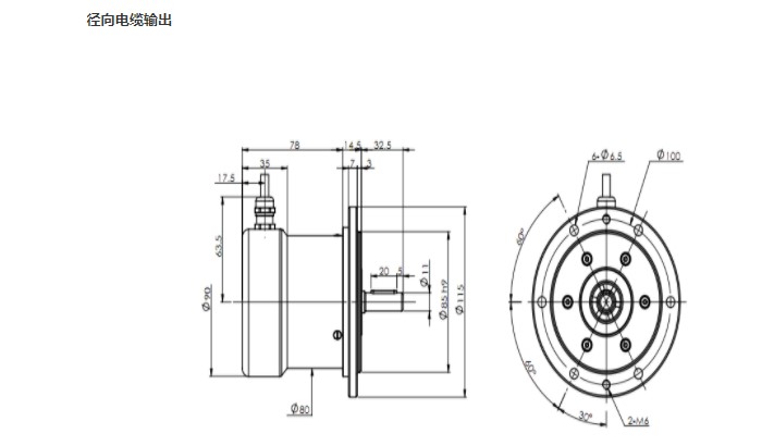
重載型增量編碼器,堅固的耐振動設計
軸徑標準為11mm(10mm,12mm可選)
分辨率最大可達10000ppr ( 常規1024ppr;2048ppr;4096ppr )
專為鋼鐵冶金行業、起重行業、造紙行業、木材加工行業設計制造
CC1901系列CARLEN重載增量編碼器堅固且緊湊的設計, 最高 10000ppr,具有帶短路保護的推挽輸出, 在 5 V 電壓下工作時的 RS 422 功能性, 可加載的金屬盤, 輸出類型: 推挽,增量式,或 RS-422,增量式。

增量編碼器正確使用方法:
1、增量編碼器是由緊密部件構成的,因此使用時要非常小心,不能跌落,以免損傷功能。
2、使用時請不要讓水和油滴落在主體上。
3、連線時要在電源切斷的狀態下進行。電源ON時,輸出線如接觸電源,會引起輸出回路破損。
4、固定本體、進行導線連線時,請注意導線的拉伸力度不要超過29.4N。
5、請勿往上施加過大的載荷,以免引起產品破損。用鏈條、傳送帶及齒輪連接時,先通過其他軸承,再用聯軸器與編碼器結合。
6、如果安裝誤差大(偏心、偏角),就會有過大的負載加在軸上,從而造成損壞或者縮短其使用年限。
7、當聯軸器插入軸時,請不要用錘子敲擊等增加撞擊力。
8、安裝、拆卸編碼器時,請勿進行不必要的彎曲、壓縮和拉伸。