CONTACT US
400 - 880 - 3995大孔徑編碼器一直以來深受市場認可,近年來,大孔徑、重載型編碼器應用領域以及需求上逐漸增大,開地給客戶帶來更加豐富品類的編碼器產品。
大孔徑增量編碼器RCI90P系列,主要產品特征:
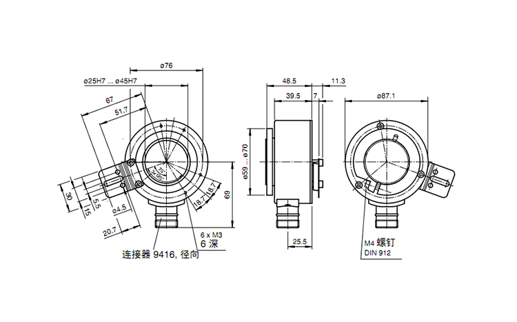
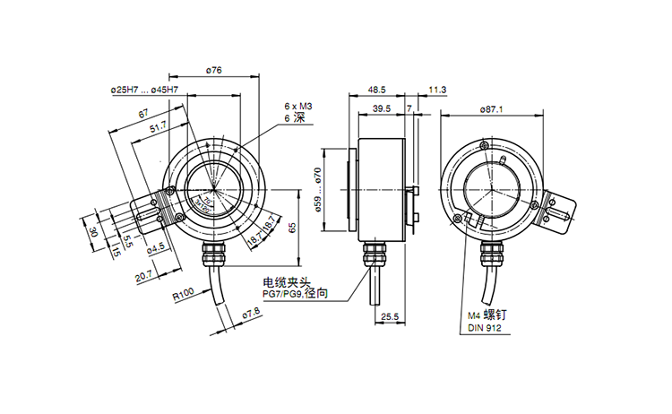
大孔徑編碼器產品分辨率最大可達10000ppr,支持HTL和TTL輸出,擁有孔徑65mm, 60mm ,50mm, 45mm 。通訊接口:SSI ( RS422 ) , BiSS ( RS422 ), RS485, CANopen, J1939,配合不同的減徑環與安裝彈片搭配,開地大孔徑編碼器可以實現各機械孔徑、各機械參數的靈活安裝,助力客戶方便、可靠、高精度的實現現場測量。
1、RCI90系列重載型增量編碼器,堅固的耐振動設計;
2、專用的ASIC光電技術,增強抗干擾長距離傳輸;
3、通孔孔徑最大可達30mm(12mm,14mm,16mm,20mm,25mm,28mm可提供);
4、分辨率最大可達10000ppr(常規1024ppr;2048ppr;4096ppr);
5、溫度范圍-20...+85 °C (可定制-40...+85 °C);
6、防護等級IP65/IP66(帶油封)
7、大孔徑大幅提升了可以應用的范圍;
8、與軸相匹配的夾緊環 牢固、可靠并易于安裝;
9、用尺寸安裝彈片 適用于各類場景、靈活且易于安裝;
10、結構設計優化 使用壽命更長,更加堅固耐用;
11、絕緣軸套 更多使用場景,更強的保護;

大孔徑增量編碼器RCI90P系列,應用領域:
開地大孔徑編碼器可廣泛應用于鋼鐵冶金行業、起重行業、造紙行業、木材加工行業設計制造、電梯、交流電機速度反饋等各個需要使用到大孔徑增量編碼器的場合。
大孔徑增量編碼器產品選型與配件:
開地大孔徑產品擁有相對統一簡潔的型號,通過豐富的配件組合,實現多樣化的、可滿足客戶現場各類需求的功能組合和搭配。
上一篇: 并口絕對值編碼器輸出及注意事項