CONTACT US
400 - 880 - 3995拉線編碼器的功能是把機械運動轉換成可以計量,記錄或傳送的電信號。拉線編碼器由可拉伸的不銹鋼繩繞在一個有螺紋的輪轂上,此輪轂與一個精密旋轉感應器連接在一起,感應器可以是增量編碼器,絕對(獨立)編碼器,混合或導電塑料旋轉電位計,同步器或解析器。
拉線編碼器均用高精密電腦自動智能線性修刻技術,誤差小,輸出數據穩定,精度高,產品最高運行速度可達5米/秒,運行穩定壽命可達1000萬次。
博思特拉線編碼器應用:
拉線編碼器廣泛應用于化工機械、汽車、醫療、注塑機械、橡膠機械、木工機械、同步頂升液壓平臺、水利檢測與控制、閘門開度、自動化紡織機械、自動化產線閉環控制系統等多種領域,公司有獨立的技術研發部門,歡迎您來接洽各種產品或產線升級改造技術,公司可為您的升級提供全方位的技術支持。
德國博思特拉線編碼器
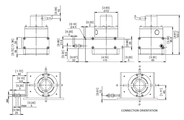
LU0-C901B-1216-6E6A-CRW產品參數:
電源 9 – 30 VDC
功耗 ≤ 1.2 W
啟動時間 <500 ms
工作溫度 -20 °C (-4 °F) - +80 °C (+176 °F)
重量 1015 g (2.24 lb)
機械數據
最大測量長度 6.00 m
線轂周長 200 mm
線繩材質 不銹鋼
線繩直徑 0.60 mm
編碼器外殼材料 鋼
線位移的最大速度 3 m/s
線繩最大加速度 2.4 g
最大拉出力 8.0 N
最小回縮力 3.0 N
線繩連接 M4制螺紋
最大。出線角度。 ±10°
傳感器數據
技術 磁電 (≤ 0.09°)
精度 ±0.006 % FSO
重復性 ±0.003 % FSO
分辨率 單圈 16 位
分辨率 多圈 12 位
近似線性分辨率 3.1 μm (理論上), 受限于機械結構
輸出碼制 二進制碼
接口
通訊接口 SAE J1939
Profil J1939 specific
編程功能 分辨率,預置,波特率,CAN標識符
手動功能 可編程
傳輸速率 最小20K波特,最大1M波特
接口周期 ≥ 1 ms
輸出
輸出驅動器 Desc
功耗 ≤ 70 mA @ 10 V DC, ≤ 50 mA @ 24 V DC
反極性保護 是
短路保護 是
MTTF 240 years @ 40 °C
電氣連接
連接方向 徑向 6
連接類型 電纜/連接器
電纜長度 1 m [39"]
導線截面 0.14 mm2 / AWG 26
材料 / 類型 PVC
電纜直徑 6 mm (0.24 in)
最小彎曲半徑 46 mm (1.81") 固定, 61 mm (2.4") 彎曲

上一篇: 磁致伸縮位移傳感器在大橋橋梁監測上的應用
下一篇:電機編碼器這樣接線其實很簡單!